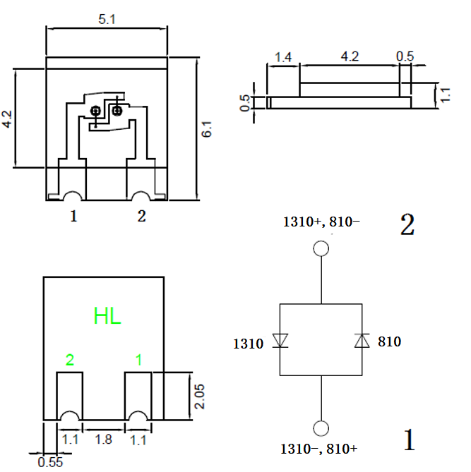
血液分析传感器
■Features
●Lead frame molded packages
●6pin designs
●Multi wavelengths LEDs
●Matching detector response
■Applications
●SPO2
●Blood analysis
●Medical instrumentation
●Radiometric instruments
Name | Model | IR | FIR | Package |
Multi Emitters | HL5060-2P157W | 810 nm | 1300 nm | 2-Pin, COB |
■Absolute Maximum Ratings
Parameter | Symbol | Max. | Unit | Note |
Power Dissipation | Pd | 60 | mW | --- |
Forward Current | IF | 20 | mA | --- |
Peak Forward Current | IFP | 100 | mA | 1/ 10 Duty cycle,0. 1ms pulse width |
Reverse Voltage | VR | 5 | V | --- |
Operating Temperature | T0pr | -25~+85 | ℃ | --- |
Storage Temperature | TStg | -40~+100 | ℃ | --- |
Soldering Temperature | TS01 | 300 | ℃ | 300℃ for 2 Seconds |
■Electrical/Optical Characteristics (Ta= 25℃)
Parameter | Symbol | Min. | Typ. | Max. | Units | Test Conditions | |||
IR | FIR | IR | FIR | IR | FIR | ||||
Forward Voltage | VF | 1.2 | 0.8 | 1.4 | 1.0 | 1.7 | 1.5 | V | IF=20mA |
Reverse Current | IR |
-- |
-- |
-- |
-- | 10 | 10 | uA | VR=5V |
Radiant Power | Po | -- | 5 | 6 | 6 | 9 | 7 | mW | IF=20mA |
Peak Wavelength | λp | 795 | 1300 | -- | -- | 815 | 1400 | nm | IF=20mA |
Spectral Line Half-width | Δλ |
-- |
-- | 45 | -- |
-- |
-- | nm | IF=20mA |
■Dimension:

Notes: 1.All dimensions are in millimeters
2. Tolerances unless dimensions ±0. 1mm


